

DTZ系列广泛应用于石油的提炼、各种醇类生产喷漆、烘干、橡胶生产、食品加工等有关工厂的厂房、车间工作室及仓库、地下室等场所作通风排气之用。该风机结构新颖、性能优越,具有风量大、风压高、高效节能、噪声低等特点,风机输送无腐蚀,无明显灰度气体,气体含尘土及硬质颗粒物不大于150mg/m³,气体温度不超过50°C。
DTZ 系列性能参数表
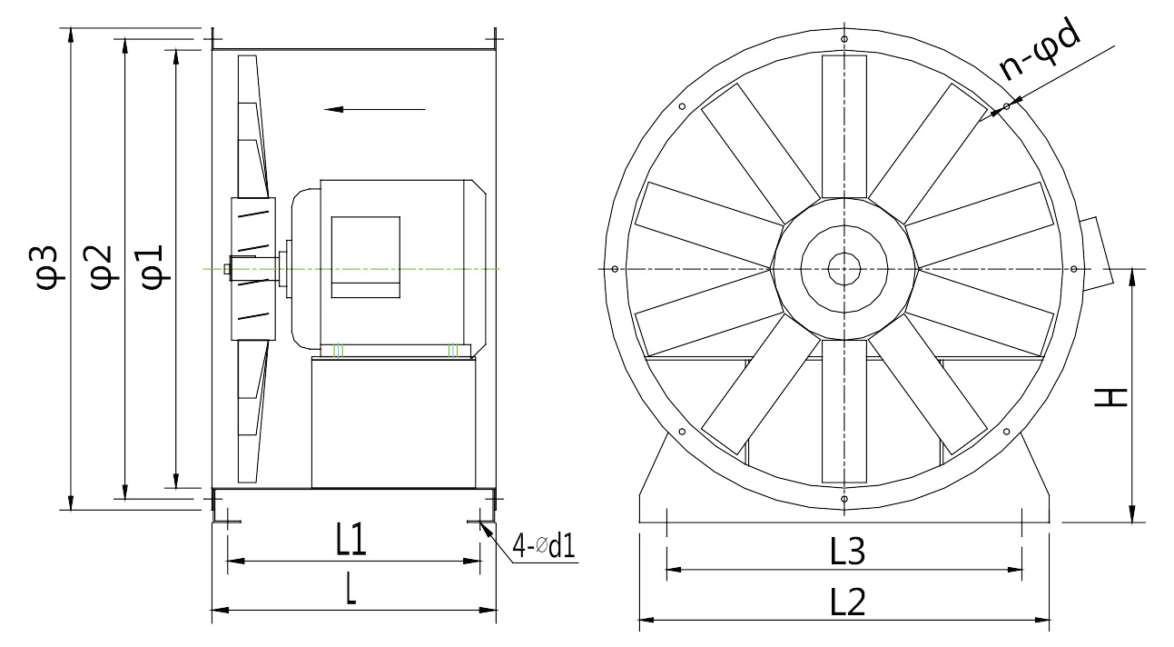
DTZ 系列结构示意图
DTZ 系列外形尺寸表
一、风机订货须知:
1、订货时必须说明风机类别,例如:离心排烟风机,离心排风风机,离心加压风机,轴流排烟风机,轴流普通风机等功能。
2、订货时必须提供风机设计参数,风量、风压、功率等重要参数。
3、订货时应提供离心风机的进出风口方向,表示法如图:A、B、C
4、风机安装空间有限,尺寸有特殊要求的订货时必须说明。
5、如机房墙及楼宇通道已封堵,需我司现场拼装,请在订货时注明。
6、风机订货时要注明风机电源要求,380V 50HZ或220V 50HZ。
二、机组使用说明:
1、坐地式风机基础,基础尺寸建议每边比机组外型尺寸大于100mm。
2、电机应接在有电机缺象保护器和过载保护器的电源上,5.5KW以下的电机可直接启动;7.5KW以上的电机应降压启动。机壳应接地。
3、风机的电源为三相380V 50HZ。先检查电源是否符合要求,有无缺相,三相是否平衡后方可与电机相接。接通后先启动电机,检查风机转向是否正确,如转向相反,应停机将电源相序改变,然后将电机电源正式接好。
4、风机进出风口与风道间用软接头连接。
5、新机运行一个月后,应检查皮带松紧程度及螺栓是否松动现象,如有发现应及时调整紧固,以免出现问题。
6、风机常年运行,带座轴承润滑脂应半年更换一次。常温可用2#锂基脂或同性能润滑脂,高温场合需用高温润滑脂。如果过渡季节停机,润滑脂必须保证每年更换一次。













第1年


康美风轴流风机 HTF轴流式消防排烟
康美风消声器 风量末端 灯盘送风口
康美风离心风机 HTFC-I离心式消防排
油烟净化设备 静电式饮食业油烟净化 